fan image
Model
VORT HRI 350 FLAT IoT
Code
10917

VORT HRI 350 FLAT IoT

 
• Galvanised steel sheet casing, internally covered with fire-resistant sound-absorbing material (DIN EN 13501).
• High efficiency fans equipped with 3-speed EC (brushless) backward centrifugal fans.
• High efficiency cross flow type heat exchanger in counter-current plastic material.
• Automatic thermodynamic by-pass.
• Integrated antifreeze protection.
• Couplings with a nominal diameter of 125 mm.
• 2 M5 filters (optional F7 filter for the supply line), easily accessible for maintenance.
• Remote control group, wired connected, for:
o Switching on and off
o The selection of the desired operating speed among the 3 available.
o Indication of the condition of saturated filters by means of a tell-tale.
• Brackets for suspended installation.

Class A
 
IoT = iot compatibility
H = enthalpy exchanger

Fan

Max flow
380 m³/h
Weight
33 Kg
VORT HRI 350 FLAT IoT
Loading...
Design point
Loading...
Service point
Loading...
Alternative point

VORT HRI 350 FLAT IoT

Dimensions scheme
A B C D E
1183 740 288 1287 650

VORT HRI 350 FLAT IoT

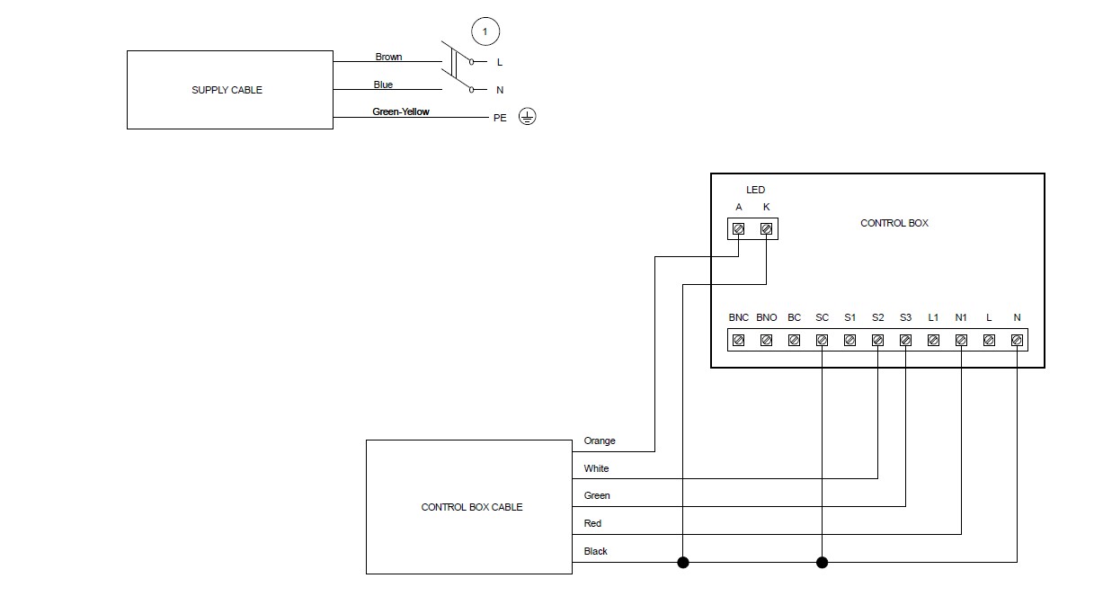
Electrical scheme

VORT HRI 350 FLAT IoT

Model
ELECTRIC HEATER 750W
Code
22735
Information
ELECTRIC HEATER

ELECTRIC HEATER

Model
FTR F7 230x250x48
Code
22628
Information
FILTER

filter

Model
FTR M5 230x250x48
Code
22646
Information
FILTER

filter

Model
CB TOUCH LCD W
Code
21918
Information
CONTROLLER

...

VORT HRI 350 FLAT IoT