fan image
Model
VORT HR 450 AVEL D
Code
12101

VORT HR 450 AVEL D

• Expanded polypropylene (PPE) interior details.
• Connecting outlets for pipes with a nominal diameter of 160 mm.
• 2 EC (brushless) motors of the type with external rotor controlled at constant flow, with shafts mounted on ball bearings each combined with a centrifugal impeller with forward blades; 4 speeds independently selected at the time of installation.
• High efficiency plastic counter-current flow type heat exchanger (PS).
• 100% filtered mechanical by-pass with automatic actuation.
• Automatic activation system to prevent ice formation on the heat exchanger.
• 3 ISO Coarse 90% (G4) class filters, placed respectively on the extraction tube, on the delivery tube and for the by-pass. Optional ePM10 50% (M5) and ePM1 55% (F7) filters available for supply line and by-pass.
• Condensate collection tank with discharge device.
• Control electronics with LCD display, for:
• on and off,
• the initial configuration,
• the choice of operating speed,
• weekly programming of operating procedures,
• monitoring of correct operation (any anomalies are shown through error messages on the display),
• the display of the operating state (set speed, by-pass status, active defrosting procedure, pre and/or post heater on, if any),
• the indication of saturated filters.
• Support brackets for wall installation included in the standard equipment.
• Possibility of enslavement to external environmental sensors (optional), for automatic management of product operation.
• Possibility of integration in domotic environment through Modbus communication protocol.


H version: enthalpy exchanger

Fan

Max flow
400 m³/h
VORT HR 450 AVEL D
Loading...
Design point
Loading...
Service point
Loading...
Alternative point

VORT HR 450 AVEL D

Dimensions scheme
A B C D E F G H (diam.) I J
708 480 730 766 125 205 516 158 207 308

VORT HR 450 AVEL D

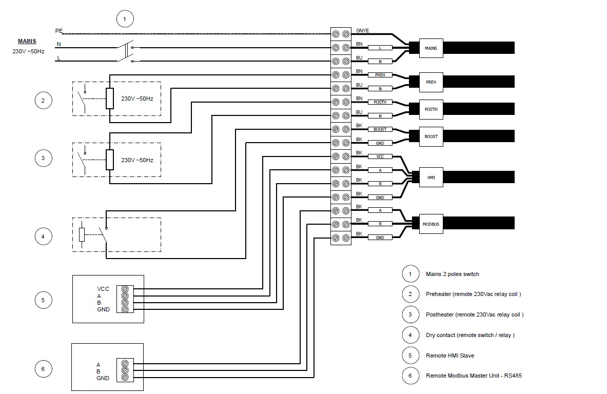
Electrical scheme

VORT HR 450 AVEL D

Model
CB LCD
Code
21381
Information
CONTROLLER

...

Model
ELECTRIC HEATER 1200W
Code
21622
Information
ELECTRIC HEATER

ELECTRIC HEATER

Model
ELECTRIC HEATER 2400W
Code
21623
Information
ELECTRIC HEATER

ELECTRIC HEATER

Model
FTR EPM1 55% (F7) 398x184x21
Code
21624
Information
FILTER

filter

Model
FTR EPM10 50% (M5) 398x184x21
Code
21625
Information
FILTER

filter

Model
FTR EPM1 55% (F7) 420x54x21
Code
21626
Information
FILTER

filter

Model
FTR EPM10 50% (M5) 420x54x21
Code
21627
Information
FILTER

filter

Model
FTR ISO COARSE 90% (G4) 400x200x5
Code
21628
Information
FILTER

filter

Model
FTR ISO COARSE 90% (G4) 400x59x5
Code
21629
Information
FILTER

filter

Model
NA 160 PHI (attenuatore di rumore)
Code
21643
Information
**

**

Model
MP (piedini per AVEL 450D)
Code
21605
Information
**

**

Model
CB TOUCH LCD W
Code
21933
Information
CONTROLLER

...

VORT HR 450 AVEL D